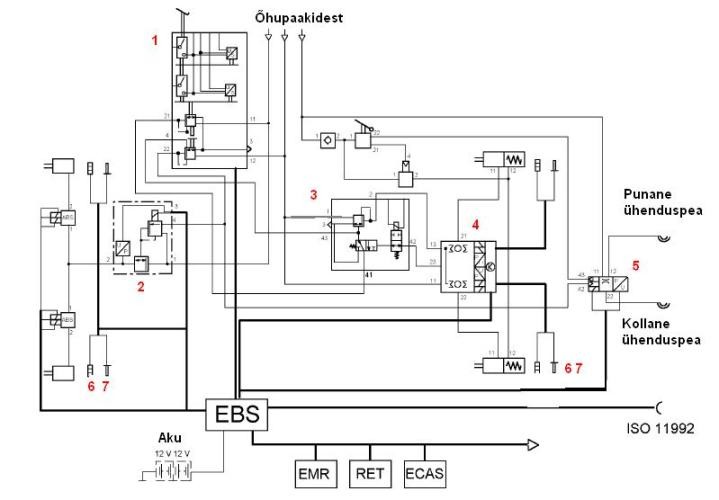
Veoki EBS üldskeem tingmärkide kujul

Sele 4. EBS piduriseade tingmärkide kujul (allikas: WABCO)

1- pedaali asendi andur (koos jalgpidurikraaniga), 2- proportsionaalne releeklapp, 3- liiasusklapp, 4- tagasilla rõhureguleerimismoodul, 5- haagisepidurite juhtklapp, 6- klotside kulumisandur, 7- pöörlemissageduse andur.

Erinevused võrreldes tavalise ABS süsteemiga:

  • pedaali asendi andur koos jalgpidurikraaniga;
  • elektrooniliselt tüüritav proportsionaalne releeklapp esisilla pidurdusrõhu reguleerimiseks;
  • tagasilla rõhureguleerimismoodul (asendab pidurdusjõudude regulaatorit ja ABS-i elektromagnetklappe);
  • elektrooniliselt tüüritav haagisepidurite juhtimisklapp;
  • liiasusklapp tagasilla pidurikambritesse suruõhu juhtimiseks EBS-i rikke korral.